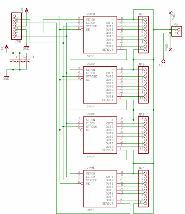
EAGLE PCB layout testing
From this:

To this:


Print out a 1:1 scale PCB top-side and push the parts through the
paper to make sure everything fits just right.
Working prototype

A working prototype slightly larger than the actual board built
from the PCB trace file.

I never ONCE looked at the schematic or IC datasheet while building
this.

That makes it much more likely that the PCB layout is correct.

I couldn't build it actual size since the parts are on 0.15 Inch spacing.